• ERON

RoHS対応

ロックタイトFA精密マシンバイス

E-9775

仕様/価格

オーダーNo. No. 口巾 口深 口開 標準ガイド
ブロック巾
締付力
kN
質量
kg
価格 在庫設定 在庫情報 製品BOX CAD
DXF STEP
962280 LTFV75 76 32 100 14 12 9 194,000 在庫 お問合わせ 追加 DL DL
962281 LTFV75G 76 32 100 14 12 9 176,000 廃番 お問合わせ 追加 DL DL

寸法図・サイズ表

選択 オーダーNo. No. A B C D E F G H I J K L M N O P(並目) Q(並目)
962280 LTFV75 258 291 76 54 0-100 60 32 125 12 4.5 70 140 11 56 14 M12x1.75 M6x1.0
962281 LTFV75G 258 291 76 54 0-100 60 32 125 12 4.5 70 140 11 56 14 M12x1.75 M6x1.0

特長

■浮き上がり防止機構が内蔵されており、クランプ時の可動体・ワークの浮き上がりを防止します。
■本体及び固定アゴが一体構造で、高剛性を維持します。
■口深さが大きく、背の高いワークも確実に締め付けます。
■同じ型式であれば、並列精度は全て0.01以内です。(全品標準並列仕様)
 詳細は「特注品対応」をご確認ください。

[特注対応]
ガイドブロック位置を変更できます。


[付属品]
標準ガイドブロック(2個1組)適合溝巾14mm ・・・ 1組
標準口金・・ 2枚1組-1セット
ハンドル・・ 1本
吊上用金具・・ 1

構成図

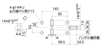
取付方法

取付加工寸法

取付方法に合わせて追加工してください。
ガイドブロックを3ヶ所ご使用の場合は、別途ご購入ください。

 

・下面からボルト止めの場合

取付方法

取付加工寸法

 

 

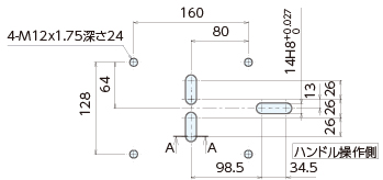
・取付クランプ使用の場合

取付方法

取付加工寸法

精度規格

 

No. 検査事項(100㎜につき)規格 旧JIS規格(O級) ナベヤ規格値
1 本体底面と口金スベリ面との平行度 0.015 0.010
2 口金と口金スベリ面との直角度 0.030 0.015
3 本体底面のガイドブロックと口金くわえ面の直角度 0.015 0.015
4 本体底面のガイドブロックと口金くわえ面の平行度。LTFVタイプに適用。 0.015 0.015
5 締付けたテストブロックの上面と本体底面との平行度 0.020 0.015
6 締付けたテストブロックの上面浮き上がり 0.030 0.015

特注品対応

並列品のご注文について

 

同じサイズであれば、何台でも全品並列です。並列料金は不要です。

A・Bを何台でも0.01以内に揃えます。

ご注文方法は以下をご確認ください。

 

 

 

初めてご購入される場合

ご注文の際、ご必要になる数をご連絡ください。

 

追加でご注文される場合

ご注文の際、ご必要になる数をご連絡ください。