• ERON
  • TRIAG

マイクロバイス

E-1400

仕様/価格

オーダー
口幅 口開 口深 最大操作トルク
N・m
最大締付力
kN
質量kg 価格 在庫設定 在庫情報 製品BOX CAD
DXF STEP
133822 MCZ40L30PRG13 40 3~13 2.2 7 8 0.4 137,000 在庫 在庫△ 追加 DL DL
132033 MCZ40L30PRG22 40 12~22 2.2 7 8 0.4 137,000 在庫 在庫〇 追加 DL DL
133823 MCZ40L30PRG31 40 21~31 2.2 7 8 0.4 137,000 在庫 在庫〇 追加 DL DL

寸法図・サイズ表

選択 オーダー
A B C D E F
133822 MCZ40L30PRG13 3~13 14.5 1.5 0 2.2 0
132033 MCZ40L30PRG22 12~22 10 6 4.5 2.2 2
133823 MCZ40L30PRG31 21~31 5.5 10.5 9 2.2 2

口金セルフカット仕様 仕様/価格

オーダー
口幅 口深 最大操作トルク
N・m
最大締付力
kN
質量kg 価格 在庫設定 在庫情報 製品BOX CAD
DXF STEP
133824 MCZ40L30W06 40 0~2.2 7 8 0.4 60,500 在庫 在庫〇 追加 DL DL
133825 MCZ40L30W10 40 0~6.2 7 8 0.4 137,000 在庫 在庫〇 追加 DL DL
133826 MCZ40L30W20 40 0~16.2 7 8 0.4 137,000 在庫 在庫〇 追加 DL DL

寸法図・サイズ表

選択 オーダー
H h
133824 MCZ40L30W06 6 0~2.2
133825 MCZ40L30W10 10 0~6.2
133826 MCZ40L30W20 20 0~16.2

取付用位置決めボルト 仕様/価格

オーダー№ ネジ径 首下長 質量g 価格 在庫設定 在庫情報 製品BOX
161224 MS50 M5×0.8 17.5 4 2,000 在庫 在庫〇 追加

寸法図・サイズ表

選択 オーダー№ A B C D E F G
161224 MS50 M5×0.8 17.5 10 7.8 5 5f7(-0.010/-0.022) 4

材質・熱処理・表面処理

名称 材質 熱処理 表面処理
マイクロバイス SCM440相当 本体:焼入HV650以上
口金:焼入HV650以上(MCZ-L-PRGのみ)
黒染め

特長

■小物・薄物ワークの加工に最適です。
■ワークに合わせて口金の交換ができます。
■バイスの繰返し位置決め精度は±0.02。

【付属品】取付用位置決めボルト4本

使用例

 

側面のタップ穴を利用し、位置決め用のストッパ―を取付できます。

使用方法

組合せ例

 

 

 

注意事項

口金が本体からはみ出さない範囲でご使用下さい。

 

 

 

操作方法

 

・スピンドルにソケットレンチ等を挿入し、回転させてクランプ・アンクランプ作業を行います。
・クランプの際には可動体がバイスの中央へとワークを締付けます。

 

 

注意事項

本製品の最大規定トルクは7N/mです。規定以上のトルクが掛からないように締め付け操作はトルクレンチを使用してください。

シグナル式トルクレンチを使用する場合は、設定したトルクを超えたことを音や振動で通知します。

勢いや惰性で過剰トルクがかからないように操作して、通知を受けたらそれ以上締め付けないようにしてください。

口金が破損する可能性があります。

取付方法

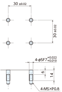
取付加工図

 

 

 

取付方法

 

  • ①スピンドルを回転させ、口金を本体から分離します。

  • ②取付用の加工を施したプレートに、付属の取付け用ボルトで本体を固定します。

     

  • ③口金を両側から挿入しスピンドルを回転させて組付けします。(口金はR側、L側があります ご注意下さい)