• NBK

RoHS対応

電動位置決め締結ユニット ピン

E-1430

  • 1430A.jpg
  • 1430A.jpg

本製品は別売りの「電動位置決め締結ユニットブッシュ」と組み合わせて使用する製品です。 クランプ/アンクランプ操作はソレノイドによる電気駆動です。
特許出願中意匠登録済

仕様・価格

オーダー
動作検知
センサー機能
外径
mm
ピン径
mm
総高
mm
クランプ力
N
繰返し位置決め精度
mm
質量 g 価格 在庫設定 在庫情報 製品BOX CAD
DXF STEP
168653 ELC21 なし 40 15 85 200 ±0.1以内 270 65,000 在庫 入荷予定 追加 DL DL
168654 ELC21S あり 40 15 116 200 ±0.1以内 334 82,000 在庫 入荷予定 追加 DL DL
※クランプ力とは、引っ張り荷重に対し0.1mm以内の位置決め(プレート間の隙間0.1mm以内)が保持出来る許容荷重のことです

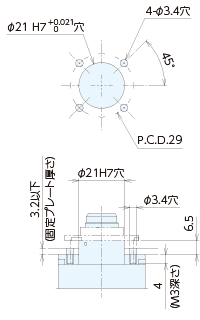
寸法図・サイズ表

選択 オーダー
A B Cg6 D±0.05 E F G H I J K L M N O P
168653 ELC21 40 85 21 6.5 19 15 66 29 M3x0.5深さ4 45° 4 4 14 M3x0.5有効深さ3 22 45°
168654 ELC21S 40 116 21 6.5 19 15 97 29 M3x0.5深さ4 45° 4 4 14 M3x0.5有効深さ3 22 45°

材質・熱処理・表面処理

名称 材質 熱処理 表面処理
電動位置決め締結ユニット ピン ピン・駆動部:ステンレス
スリーブ:アルミ
ピン(取付部):HRC40
駆動部:HRC55
スリーブ:アルマイト処理

特長

■自動化のハードルを低減
駆動源が電気のため油圧・空圧でかかる配管構築の手間をかけることなく、既存の量産ラインや装置・設備に組み込んで自動化を実現できます。
センサー付仕様を使用すればソフトや制御システムを考慮する手間を省け、モータータイプの電動式クランプよりも安価で簡単に設置ができるため設計工数を削減しながら自動化が可能です。
また100万回以上の動作試験をクリアしているため、自動化ラインにおいて高い信頼性があります。(動作確認は社内試験による)

■安全作業に貢献
電気が供給されていない状態でも内部の永久磁石によりプレートを保持し続けるため、急な停電等による電気遮断でも外れることがなく安全にご使用いただけます。
PLCに組み込むことでクランプ/アンクランプ状態を検出しない限り次の動作ができないように制御できます。
センサー付タイプと組み合わせることで人為的ミスを確実に防止し作業を安全に行うことができます。
また本体はIPX5に適合した防水処理を行っているため、水による被害を最小限に抑えることができます。(底部配線穴部を除く)

■環境配慮型のクランプ製品
電気を駆動源としたクランプ製品のため、油圧・空圧を駆動源とする製品に比べてエネルギー使用量を低く抑えます。
また本製品はクランプ/アンクランプの動作時のみ電力を使用するため電力消費を最小限に抑えます。
油などによる汚染の懸念がなくクリーンルームでもご使用いただけます。

構成図

 

リード線種:UL1007, VW-1, AWG#24 CSA TR64 撚線 LF(赤,白)

ハウジング:YLP-02V(JST)

端子   :SYF-01T-P0.5A(JST)

使用例

  • AGVでの搬送物の位置決め・固定

  • 画像検査用ジグでの位置決め・固定

  •  

     

使用方法

本製品は別売りのブッシュと組み合わせて使用する製品です。

クランプ/アンクランプの制御方法についてはお客様のご使用される環境に合わせてお客様にてご選択いただけます。

使用条件や極性、注意事項は以下をご確認ください。

 

使用条件

本製品にはソレノイドを使用しております。

ソレノイドの使用条件は以下となります。

 ・通電率:2.8%以下(例 ON:1s、OFF:35s)

 ・定格電圧:DC24V ・定格電流:5.2A

 ・定格消費電力:125W

 ・使用周囲温度:-5~40℃(氷結しないこと)

 ・動作時間:40ms以下 ・耐熱クラス:クラス105(A)

 

 

極性について

本製品は以下のような極性で動作します。

  リード線色 動作方向
極性 + - アンクランプ
- + クランプ

 

結線図

 

 

注意事項

・内部にあるソレノイドが高温(70℃以上)となるため外筒スリーブは取り外さないでください。

・断線の恐れがあるため、リード線を無理に引っ張らないでください。

・過電流などによるソレノイドの損傷を防止するため、保護回路を設けてください。

・動作部は防水処理(IPX5)がされておりますが、底面の配線穴には防水処理がされておりません。万が一に備えて、水の侵入が無いようにご注意ください。

・コネクタの接続状況やリード線の断線、締結部のボルトの緩みなどはクランプ動作の不良につながるため、使用時は必ずご確認をお願いいたします。

 

 

センサー仕様(ELC21S)について

センサー仕様に内蔵されているセンサーは以下3つの状態を検知しています。

 ・アンクランプ状態(保持していない)

 ・クランプ状態(保持している)

 ・オーバークランプ状態(ブッシュがない状態でクランプ動作している)

 

・センサーの主な仕様は以下の通りです。

項目 内容
使用センサー E2S-W13 1M(オムロン)
使用温度 本製品の使用温度に準ずる
コード長さ 1m (製品内部部分含む)
耐電圧 AC1,000V 1min
電源電圧 DC12~24V リップル(p-p)10%以下 (DC10~30V)
応答周波数 1kHz以上
制御出力 NPNオープンコレクタ出力50mA以下 (DC30V以下)
動作モード NO

 

 

・センサー動作は以下の通りです。

状態 アンクランプ クランプ

オーバークランプ

センサー1(上) ON OFF ON
センサー2(下) OFF ON ON

 

・その他、センサーに関する詳細は、製品に同梱されるセンサーの取扱説明書をご確認ください。

取付方法

取り付け部の厚みによって加工内容が異なります。以下の寸法図に準じて設計、加工をしてください。

加工後に付属品の六角穴付きボルトを用いて4箇所で締結します。

プレート厚み:1~3.2mm

プレート厚み:3.2~6mm

 

 

穴間ピッチ精度(2個以上使用時)

 

 

 

繰り返し位置決め精度について(2個以上使用時)

締結時の繰り返し位置決め精度は±0.1mm以内です。

別途位置決めピンを組み合わせることで、繰り返し位置決め精度を向上できます。

 

 

 

位置決めピン適応表

製品名 タイプ オーダー№

ロケーティングピン

(先端ボールタイプ)

丸ピン 981027 PBD1008
ダイヤピン 981030 PBD1008D

特注品対応

センサー仕様について

センサー仕様品のセンサーは直流3線式 NPN出力形式です。

センサーの仕様をご希望により「直流3線式 PNP出力形式」または「直流2線式」への変更をすることが可能です。

ご希望の際はお問い合わせ時にどちらの仕様へ変更をされたいかご連絡ください。

メンテナンス方法

定期メンテナンス

ミ等が付着したまま使用しますと、作動不良、機器の故障になりますので本体にゴミ等が付着がないことを確認してください